JVM Research & Technology
Electrical Engineering, emphasizing analog experience in design and development
JVM Research Home Page
JVM Research Electrical Engineering Home Page
JVM Research Display Engineering Home Page
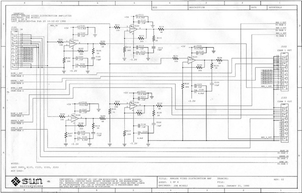
Analog Video Distribution Amplifier Design
Multi-channel 200MHz video amplifier designed for high performance Sun Microsystems monitors in the 1990's. Video for conventional displays, usually TV's and related monitors, was based on the low frequency requirements of NTSC video, or 4.2MHz. For high performance Sun monitors of the day, the video approached 100MHz, and there were plans to go higher. Thus the requirement for a high frequency video amplifier.

The design and product development was by Joe Miseli.
Back to the JVM Research Electrical Engineering Home Page

